Re-drawn Schematics

Document Credit
1b11136
1b11165 CPU Board
Steve Gamble
1b11136
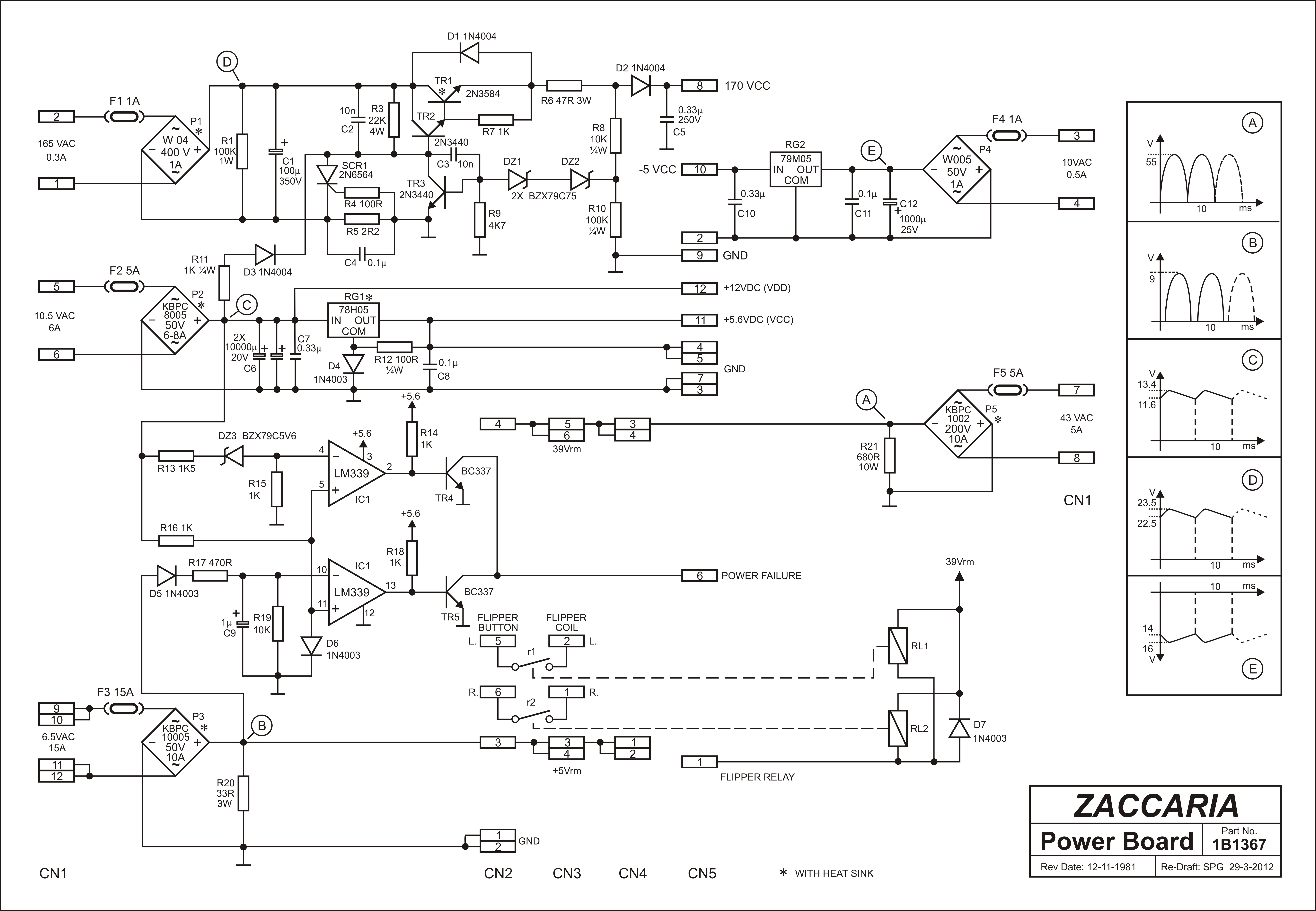
1b11167 Power Supply Board
Steve Gamble
1b11136
1b1166 Driver Board
Steve Gamble
1b11136
1b11167 Power Supply Board
"The Korn"

Note: See the "Games and Documentation" page for manual and schematics scans.


David Gersic

Copyright © 2001. All rights reserved.

This document may be freely distributed so long as the content is not modified.

Last updated 26 October 2014